Профессиональный строительный инструмент и оборудование
Каталог инструментов
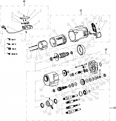
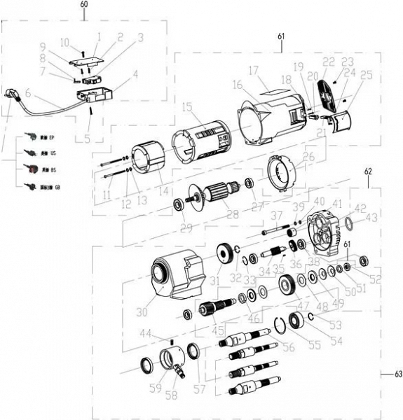
Установка для алмазного бурения Saturn OB-180B
Установка для алмазного бурения Saturn OB-180B (Сатурн ОБ-180Б) предназначена для сверления круглых отверстий Ø 20 – 180 мм в бетонных, железобетонных, базальтовых, асфальтовых и других поверхностях под трубы вентиляции, теплоснабжения, водоснабжения и подобных коммуникаций, под углом 90° – 45°, с подачей воды.
Производитель: SATURN (САТУРН) – Россия.
Преимущества установки для алмазного бурения Saturn OB-180B:
- Корпус двигателя из алюминия хорошо отводит тепло во время работы
- Наклонная станина
- Небольшой вес
- Рукоятка для переноса
- Поставляется в картонной коробке
Цена и технические характеристики установки для алмазного бурения Saturn OB-180B:
Оборудование для алмазного бурения
- Установка алмазного бурения
- Установка алмазного бурения с микроударом
- Дрель алмазного сверления
- Дрель с микроударом для алмазного бурения
- Керноотборник для асфальтобетона
- Двигатель алмазного бурения
- Двигатель алмазного бурения с микроударом
- Станина для алмазного бурения
- Станина для алмазного бурения с микроударом
- Алмазные коронки
- Доп. оборудование к технике алмазного бурения
-
Алмазные коронки по железобетону Kern Diamond Bit Concrete Premium 600 ммДиаметр: 600 ммРабочая длина: 450 ммЦена: по запросу
-
Коронка алмазная для подрозетников Keos Professional M16-SDS Plus 72/70 ммДиаметр: 72 ммРабочая длина: 60 ммЦена: 2 890 руб.
-
Алмазная коронка для сухого бурения с микроударом Адель Diamond Hit DH-D400 102 ммДиаметр: 102 ммРабочая длина: 450 ммЦена: 7 700 руб.
-
Двигатель алмазного бурения Keos KS-250Диаметр отверстий: 20 - 250 ммМощность: 2,8 кВтЦена: 98 990 руб.
-
Алмазные коронки по железобетону Kern Diamond Bit Concrete Premium 230 ммДиаметр: 230 ммРабочая длина: 450 ммЦена: 33 500 руб.
-
Алмазная коронка для сухого бурения с микроударом Адель Diamond Hit DH-D401 200 ммДиаметр: 200 ммРабочая длина: 450 ммЦена: 18 400 руб.
-
Трубогиб гидравлический ручной для круглой трубы Сатурн ТГ-1Диаметр труб: 3/8", 1/2", 3/4", 1"Угол гиба: 0° - 90°Цена: 13 785 руб.
-
Алмазные коронки по железобетону Kern Diamond Bit Concrete Premium 350 ммДиаметр: 350 ммРабочая длина: 450 ммЦена: 50 300 руб.
Новости
-
26.11.2025Новые поступления для серьёзной работы: спираль и адаптер от Crocodile
-
21.11.2024Поступление желобонакатчиков GruvMaster - Новинка на Российском рынке!
-
27.12.2023С новым 2024 годом!
-
20.12.2022Режим работы в Новогодние праздники
-
12.10.2022ФСБ сообщила о попытке теракта с ПЗРК «Игла» в Подмосковье






Отзывы
Оставьте Ваш отзыв